> Novice > Zagon 6 stenskih toplotnih postaj Giaflex v objektu Vile Wallan, Velenje
Zagon 6 stenskih toplotnih postaj Giaflex v objektu Vile Wallan, Velenje
V podjetju GIA-S smo uspešno izvedli dobavo, montažo in zagon šestih kompaktnih stenskih toplotnih postaj Giaflex za sodoben stanovanjski objekt Vile Wallan v Velenju.
Gre za energetsko učinkovito rešitev ogrevanja in priprave tople sanitarne vode, ki uporabnikom zagotavlja visoko stopnjo udobja, zanesljivo delovanje ter možnost naprednega nadzora.
Tehnična rešitev
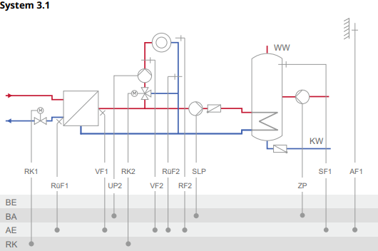
Vsaka toplotna postaja je opremljena s sodobno krmilno in merilno opremo:
- regulator ogrevanja SAMSON TROVIS 5578E, ki skrbi za optimalno krmiljenje in delovanje sistema,
- kalorimeter Kamstrup Multical 603 za natančno merjenje porabe toplote.
Regulator omogoča upravljanje treh ključnih krogov:
- krog vira ogrevanja (RK1),
- krog talnega ogrevanja (RK2),
- pripravo tople sanitarne vode (TSV).
Sistem je nastavljen tako, da samodejno prilagaja delovanje glede na zunanje temperature, kar zagotavlja optimalno energetsko učinkovitost skozi celo leto.
Pametno upravljanje
Posebna prednost vgrajenih postaj je možnost nadzora in upravljanja:
- lokalno na samem regulatorju,
- ali daljinsko preko aplikacije SAM DIGITAL.
Uporabniki lahko tako enostavno spremljajo porabo energije, prilagajajo nastavitve in optimizirajo delovanje sistema kar preko računalnika ali mobilnega telefona.
Imate vprašanje? Potrebujete nasvet?
Sporočite nam in eden izmed naših predstavnikov vam bo odgovoril v najkrajšem možnem času.

Zanesljivost in učinkovitost
Z izvedbo šestih enot smo objektu Vile Wallan zagotovili:
- stabilno in učinkovito ogrevanje,
- zanesljivo pripravo tople sanitarne vode,
- natančno merjenje porabe,
- možnost sodobnega digitalnega upravljanja.
Projekt predstavlja še eno uspešno referenco podjetja GIA-S na področju kompaktnih toplotnih postaj ter potrjuje našo usmerjenost v kakovostne, energetsko učinkovite in uporabniku prijazne rešitve.

